(2021) Bench-Scale Absorption Testing of Aqueous Potassium Lysinate as a New Solvent for CO2 Capture in Natural Gas-Fired Power Plants
Pubblicato su International Journal of Greenhouse Gas Control. 2021; 106:103268. Autori: Antonio Conversano, Andrea Porcu, Mauro Mureddu, Alberto Pettinau, Manuele Gatti.
Antonio Conversano, Andrea Porcu, Mauro Mureddu, Alberto Pettinau, Manuele Gatti. Bench-scale absorption testing of aqueous potassium lysinate as a new solvent for CO2 capture in natural gas-fired power plants. International Journal of Greenhouse Gas Control 2021; 106:103268.
Abstract
This work reports the results of an experimental campaign aiming at the characterization of the CO2 absorption performance for different aqueous solutions of potassium lysinate (LysK). The solvent stands out as a promising amino acid for post-combustion CO2capture from combustion flue gas and it has been selected based on the high values of the overall kinetic constant (kov) and CO2 absorption flow reported in the literature.
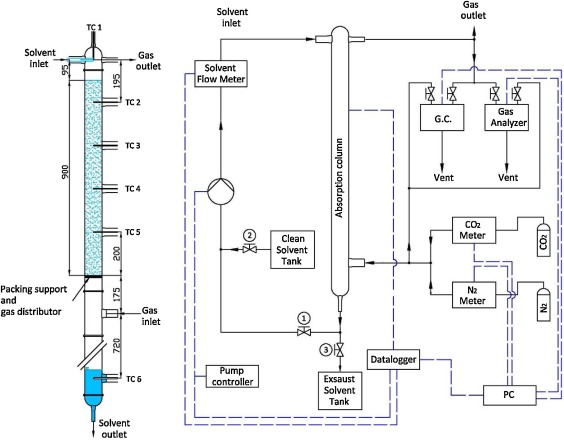
Three different LysK concentrations (8.9, 17.4 and 32.9 %w/w) have been compared and benchmarked against aqueous MEA solution (30% w/w), via closed-cycle absorption tests conducted on a bench-scale column (D = 80 mm, Packed Height = 900 mm). Liquid to gas ratios (1.39 mol/mol) and synthetic flue gas conditions (4% CO2 concentration on a molar basis, the remainder being N2) target the solvent application of CO2 capture in natural gas combined cycles, and are consistent with previous tests conducted on MEA and Potassium prolinate (ProK) solutions.
Results highlight that LysK attains faster loading increase rates compared to ProK and higher CO2 loadings at saturation (between 0.82 and 0.98 molCO2/molAlk depending on the test case) with respect to MEA (0.52 molCO2/molAlk) and ProK. Finally, according to the capacity trend measured in this work, an aqueous solution with 43.7% w/w LysK has been identified as a promising option to be further investigated, verifying potential savings in the absorber packing requirements (i.e. lower packing height in a full-scale application, due to the better kinetics of LysK) while ensuring the same absorption capacity level of 30% MEA.
01
lug/21
lug/21
Data pubblicazione
Ultimo aggiornamento
06/11/2024, 12:03
